


BMW 7er, Modell E38 |
 |
|
Varianten |
|
Detail-Infos |
|
Interaktiv |
|

- Anzeige -
|
 |

|
|
|

|
 |
30.04.2004, 19:04
|
#1
|
Erfahrenes Mitglied
Registriert seit: 13.12.2002
Ort: Frankfurt
Fahrzeug: E38 740i
|
knacken in der Lenkung
Hallo zusammen,
bisher bin ich von dem leidigen Vorderachsproblem verschont geblieben, jedoch seit es wärmer geworden ist (vielleicht auch Zufall), habe ich folgendes Problem.
Wenn ich mit dem Wagen einen Bordstein vorne rechts hochfahre, knackt es auf der rechten Seite.
Für die bessere Fehlerdiagnose noch der Hinweis, dass bei einem flachen Bordstein, dass Geräusch nicht auftritt.
Weiterhin tritt das Geräusch auch nur auf, wenn ich die Lenkung schon ziemlich stark eingeschlagen habe, bei kleineren Lenkwinkel ist nichts zu hören.
Kennt jemand von Euch dieses Geräusch, wenn ja, was kann das sein?
Schönes Wochenende zusammen
Gruß Dieter
|
|
|
30.04.2004, 19:22
|
#2
|
Bobbycarfahrer
Registriert seit: 06.11.2003
Ort: Düsseldorf
Fahrzeug: 744i E38
|
Zitat:
Original geschrieben von Marantzpaul
Wenn ich mit dem Wagen einen Bordstein vorne rechts hochfahre, knackt es auf der rechten Seite
[...]
|
Du fährst Bordsteine hoch? Banause 
__________________
Quod licet Iovi, non licet bovi
|
|
|
01.05.2004, 08:42
|
#3
|
Erfahrenes Mitglied
Registriert seit: 13.12.2002
Ort: Frankfurt
Fahrzeug: E38 740i
|
knacken in der lenkung
Hallo zusammen,
muß meinen obigen Beitrag korrigieren, denn seit heute habe ich das Knackgeräusch auf der rechten Seite nicht nur beim Hochfahren eines Bordsteines, sondern auch beim Lenken.
Um den Fehler stärker einzugrenzen, hier nochmals die Symptome.
1. Knacken nur auf der rechten Seite
2. Nur beim starken Lenkradeinschlag nach rechts beim Einparken
3. Beim Fahren alles normal, kein poltern, absolut ruhige Strassenlage
4. War erst vor 3 Monaten beim TÜV, der Prüfer hat sich gerade für die Vorderachse viel Zeit genommen, aber nichts beanstandet
5. Bin vor 2 Wochen in einer Gegend gefahren, wo sehr stark wegen Glätte gestreut wurde, kann das vielleicht damit zusammenhängen; Stichwort: Salz irgendwo in einem Gelenk eingedrungen?
6. Habe hier in einem älteren Beitrag gelesen, dass es auch ein Lenkkopflager sein könnte
Wäre Euch für jeden Tipp dankbar, denn bei BMW finden die den Fehler wahrscheinlich nicht, und tauschen mir nach und nach nur die komplette Vorderachse aus, obwohl das nicht nötig ist.
Noch einen schönen Feiertag
Gruß Dieter
|
|
|
01.05.2004, 09:36
|
#4
|
Kyesinga!
Registriert seit: 12.01.2004
Ort: München
Fahrzeug: 750i (E38)
|
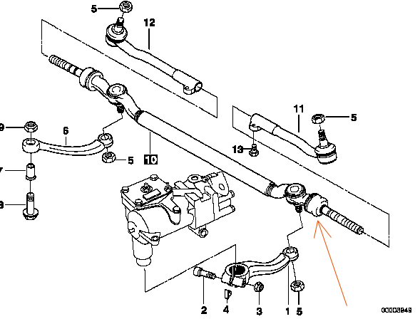
Hallo,
ich habe genau das gleiche Symptom, nur vorne links.
War auch erst beim TÜV, der meinte was von Radlager. Das ist aber
i.O. soviel dazu.
Gestern lag ich unterm Auto, um der Sache auf die Spur zu kommen.
Nun weiß ich (leider), daß mein linkes Gelenk an der mittleren Spurstange
einen kleinen Schlag hat. Siehe Bild.
Jetzt muß ich mal schauen, ob da die ganze Spurstange getauscht werden
muß.
Grüße
MB
__________________
Keinesfalls wird in der deutschen Sprache der Plural durch Anhängen eines Apostroph-S gebildet -> [Deppenapostroph]
Hier kann die deutsche Sprache studiert werden -> deutsche Grammatik
|
|
|
02.05.2004, 07:55
|
#5
|
Erfahrenes Mitglied
Registriert seit: 13.12.2002
Ort: Frankfurt
Fahrzeug: E38 740i
|
knacken in der Lenkung
Hallo michi_b,
kannst Du mir sagen, wo bei Deiner Zeichnung das Lenkkopflager ist?
Danke
Gruß Dieter
|
|
|
02.05.2004, 10:09
|
#6
|
Ex 740i VFL & 750i FL E38
Registriert seit: 25.02.2003
Ort: Bodensee/ Südwestpfalz
Fahrzeug: VW Golf IV GTI 132KW Bj 08/02; BMW 325i E30 Cabrio Bj 10/86
|
Wieviel KM???
Also bei meinem 740er und 750er waren es auch die Spurstangen so ab 125tkm.
Habe dann gleich alle 3 tauschen lassen, da ein wenig später die anderen auch verschleissen.
Hast Du das Prob auch wenn der Motor kalt ist? Bei mir war es verstärkt bei warmen Motor.
Würde gleichzeitig auch die Druckstreben überprüfen lassen.
Gruß JPM
|
|
|
02.05.2004, 11:04
|
#7
|
Erfahrenes Mitglied
Registriert seit: 27.04.2003
Ort: Mainz
Fahrzeug: E39 530i
|
Hallo Dieter,
als allererstes würde ich die Stabistange wechseln kostet fast nix und ist in
10 Minuten gewechselt.
Nächster Schritt wäre wirklich Spurstange
Gruss
Thomy7er
|
|
|
03.05.2004, 05:45
|
#8
|
Erfahrenes Mitglied
Registriert seit: 13.12.2002
Ort: Frankfurt
Fahrzeug: E38 740i
|
knacken in der Lenkung
Hallo zusammen,
vielen Dank für Eure Antworten.
JPM
Mittlerweile sind fast 200Tkm runter, einen Unterschied zwischen warmen und kalten Motor merke ich nicht.
Thomy7er
Meinst Du die komplette Stabistange, oder nur die Gummis dafür?
Gruß Dieter
|
|
|
03.05.2004, 18:49
|
#9
|
Erfahrenes Mitglied
Registriert seit: 27.04.2003
Ort: Mainz
Fahrzeug: E39 530i
|
Zitat:
Original geschrieben von Marantzpaul
Thomy7er
Meinst Du die komplette Stabistange, oder nur die Gummis dafür?
Gruß Dieter
|
Weder noch
Die eigentliche Stabistange die von rechts nach links geht ist mit 2 Stängelchen jeweils
am rechten und linken Federbein befestigt.
Guckst du:
Gruss
Thomy7er
|
|
|
Aktive Benutzer in diesem Thema: 1 (Registrierte Benutzer: 0, Gäste: 1)
|
|
Forumregeln
|
Es ist Ihnen nicht erlaubt, neue Themen zu verfassen.
Es ist Ihnen nicht erlaubt, auf Beiträge zu antworten.
Es ist Ihnen nicht erlaubt, Anhänge hochzuladen.
Es ist Ihnen nicht erlaubt, Ihre Beiträge zu bearbeiten.
HTML-Code ist aus.
|
|
|
|